
VZF (R) -12 series of vacuum load switch-fuse combination electric appliances (hereinafter referred to as vacuum switch) are the latest generation of vacuum switchgear developed according to the unique design concept and market demand. It is widely used in indoor armored air insulated switchgear. It meets the requirements of GB3804-2004 GB16926-1997 and other standards. Under normal operating conditions, as long as the technical parameters of the vacuum switch are within the range, it can ensure safe and reliable operation in the corresponding voltage level of the power grid.
Technical Information
Technical Specification |
|
|
|
|
| VZF-12/T630-20 | VZF-12/T125-50 |
Rated voltage | kV | 12 | 12 |
Power Frequency Voltage Withstand (Interphase, Ground to Ground) | kV | 42 | 42 |
Thunder Shock (Interphase, Ground to Ground) | kV | 75 | 75 |
Rated current | A | 630 | 125 Fuse |
Rated short circuit interruption withstand current | KA | - | 50 Fuse |
Rated short-time withstand current | KA | 20 | - |
Rated peak tolerable current | KA | 50 | - |
Rated short circuit closing current | KA | 50 | - |
Rated Cable Charging Open-Out Current | A | 16 | - |
Rated interruption AC current | A | - | 3150 |
Breaking No-load Transformer | kVA | 1250 |
|
Battery life | 次 | 10000 |
|
Partial Discharge Volume | PC | ≤5 |
|
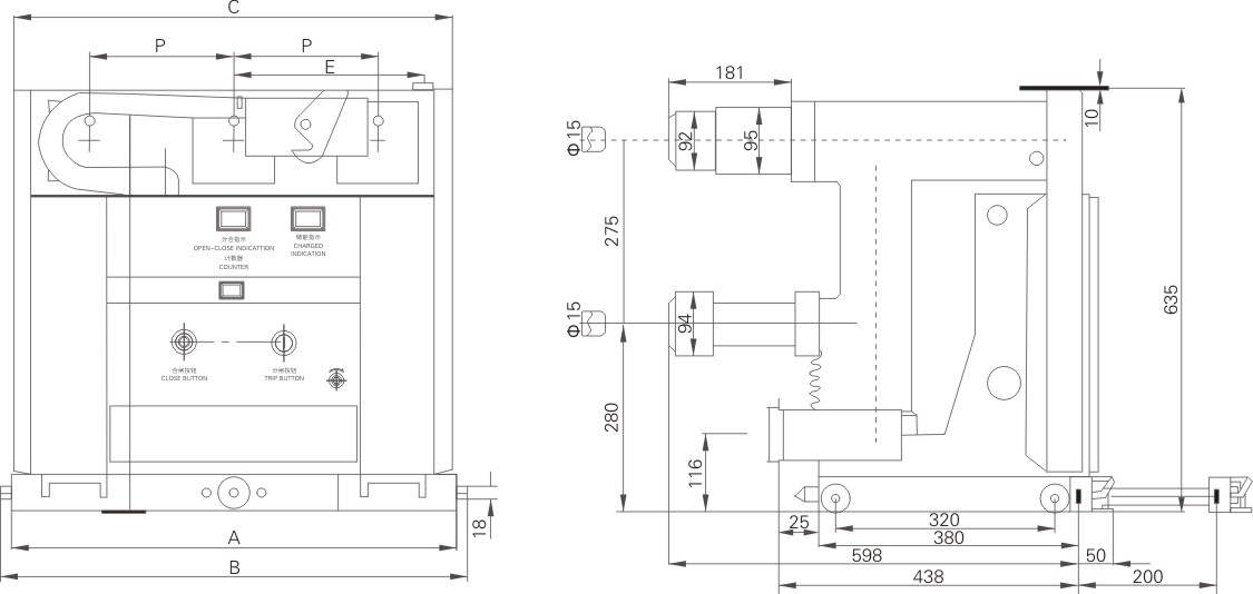
Overall and installation dimensions
Copyright ? Zhejiang Xikai Electric Co. , Ltd. 技術支持:鼎諾傳媒