
VBI/R-12 Vacuum Circuit Breaker with Lateral Operating Mechanism is fixed installation. It is mainly used for fixed switchgear. The circuit breaker can be used alone. It is more suitable for ring network power supply, box transformer or various non-standard power supply systems.
Technical Information
Technical Specification |
|
|
|
| ||
Rated voltage | kV |
| 12 |
| ||
Rated frequency | Hz |
| 50 |
| ||
|
|
|
|
|
| |
Rated insulation level | 1min power frequency withstand voltage (effective value) (interphase, relative ground, vacuum fracture) | kV |
| 42 |
| |
| Lightning impulse withstand voltage (peak) (interphase,relative ground, vacuum fracture) | kV |
| 75 |
| ||
Rated current
| A
| 630 | 630 | 1250 | ||
1250 | 1250 | 1600 | ||||
Rated short-circuit breaking current |
| 20 | 25 | 31.5 | ||
Rated short-term withstand current (rated short-term thermal stable current) |
| 20 | 25 | 31.5 | ||
Rated short circuit closing current | kA | 50 | 63 | 80 | ||
Rated peak tolerance current (rated dynamic stable current) |
| 50 | 63 | 80 | ||
Disconnecting current of dissimilar grounding fault |
| 17.4 | 21.75 | 27.4 | ||
Rated short circuit duration (rated thermal stability time) | s |
| 4 |
| ||
Rated operation sequence |
| 分-0.3s-合分-180s-合分分 Score - 0.3s - score - 180s - score | ||||
Rated short-circuit breaking current breaking times | Times |
| 30 |
| ||
Rated cable charging breaking current |
|
| 25 |
| ||
Rated single capacitor bank breaking current | A |
| 630 |
| ||
Rated back-to-back capacitor bank breaking current |
|
| 400 |
| ||
Mechanical life | Times |
| 10000 |
| ||
Dynamic and static contacts allow wear cumulative thickness | mm |
| 3 | |||
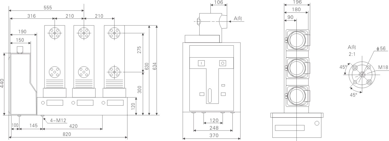
Overall and installation dimensions
Copyright ? Zhejiang Xikai Electric Co. , Ltd. 技術支持:鼎諾傳媒