
GW5-40.5 series outdoor high-voltage AC isolating switch (hereinafter referred to as “isolation switch”) is an outdoor high-voltage electrical equipment with a frequency of 50Hz. It is used for the connection of high-voltage lines under voltage and no load, and for the high-voltage busbars being repaired. Electrical equipment such as circuit breakers can be electrically isolated from live high-voltage lines. It can also be used to separate small capacitive currents and inductor currents. The isolating switch complies with GB 1985-2014 "High Voltage AC Isolation Switch and Grounding Switch", DL/T 486-2010 "High Voltage AC Isolation Switch and Grounding Switch" and other technical standards
Technical Information
Technical Specification |
|
|
|
|
|
|
| |
Rated voltage | kV |
| 40.5 |
|
| |||
Rated frequency | H |
| 50 |
|
| |||
Rated current | A | 630 |
| 1250 |
| 2000 | ||
Rated short-time withstand current | kA | 20/25 |
| 25/31.5 |
| 31.5 | ||
Rated short-time withstand current (peak) | kA | 50/63 |
| 63/80 |
| 80 | ||
Rated short-time power frequency withstand voltage | kV/min | 95/1nterphase, earth, dry test | ||||||
118/1nterphase, earth, dry test | ||||||||
95/1nterphase, ground, and wet test | ||||||||
Rated lightning impulse withstand voltage | kV | 185/1 earth | ||||||
215 Fracture | ||||||||
Rated short-time withstand current duration | S | 4 Isolation switch、 | ||||||
2Grounding switch | ||||||||
Creepage distance | mm | ≥1256Class e antifouling |
| |||||
Main loop resistance | μΩ | ≤100 |
|
|
| ≤80 |
| |
Operating mechanism | Human operating agency |
| CS17-G5 Without grounding switch | |||||
| Main knife Cs17-G5, ground knife Cs17-G2 (with single/double earthing switch) | |||||||
| Motor operating mechanism |
| CJ6 type, motor voltage AC380V or DC220V, control voltageAC220V or DC220V, auxiliary contact 8 normally open 8 nor mally closed (standard) | ||||||
Mechanical life | Times |
| Isolation switch grounding switch | |||||
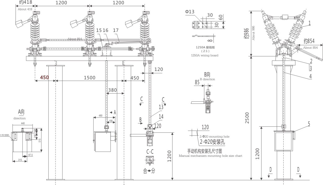
Overall and installation dimensions
Copyright ? Zhejiang Xikai Electric Co. , Ltd. 技術支持:鼎諾傳媒